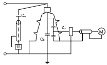
局放儀在變壓器局放測試接線中的位置
變壓器的局放測試接線原理圖,我們和武漢合眾電氣一起來看看局放儀在里面那個位置。
變壓器試驗電源一般采用50Hz的倍頻或其它合適的頻率。三相變壓器可三相勵磁,也可單相勵磁。變壓器局部放電試驗的基本原理接線,如圖6-8所示:
圖6-8 變壓器局部放電試驗的基本原理接線
其中 Cb-為變壓器套管電容
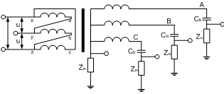
變壓器試驗電源一般采用50Hz的倍頻或其它合適的頻率。三相變壓器可三相勵磁,也可單相勵磁。變壓器局部放電試驗的基本原理接線,如圖6-8所示:
圖6-8-A單相勵磁基本原理接線
圖6-8-B 三相勵磁基本原理接線
圖6-8-C 套管抽頭測量和校準接線
圖6-8 變壓器局部放電試驗的基本原理接線
其中 Cb-為變壓器套管電容
- 上一篇: 局放儀通道電信號的連接方式
- 下一篇: 耦合電容器的具體使用方法介紹








